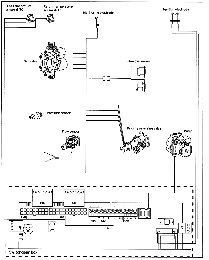
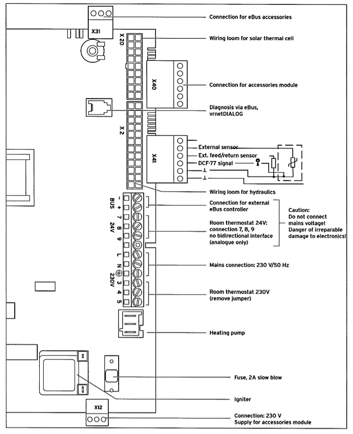
تعمیر پکیج نقشه برد پکیج وایلانت 28/06/202014/08/2024 آموزش تعمیر برد پکیج Tags برد پکیج وایلانت اصفهان هادی غیاث بیگی تعمیر پکیج اصفهان Website http://hadighias.ir Read more articles Previous Postنقشه برد وستن و بایماکNext Postنقشه برد پکیج روکا دیدگاهتان را بنویسید لغو پاسخنشانی ایمیل شما منتشر نخواهد شد. بخشهای موردنیاز علامتگذاری شدهاند *دیدگاه * نام * ایمیل * وب سایت You May Like تعمیر پکیج ایران رادیاتور اصفهان تعمیرات فوری پکیج در اصفهان توصیه هایی در مورد خطرات، ایمنی، نگهداری و سرویس