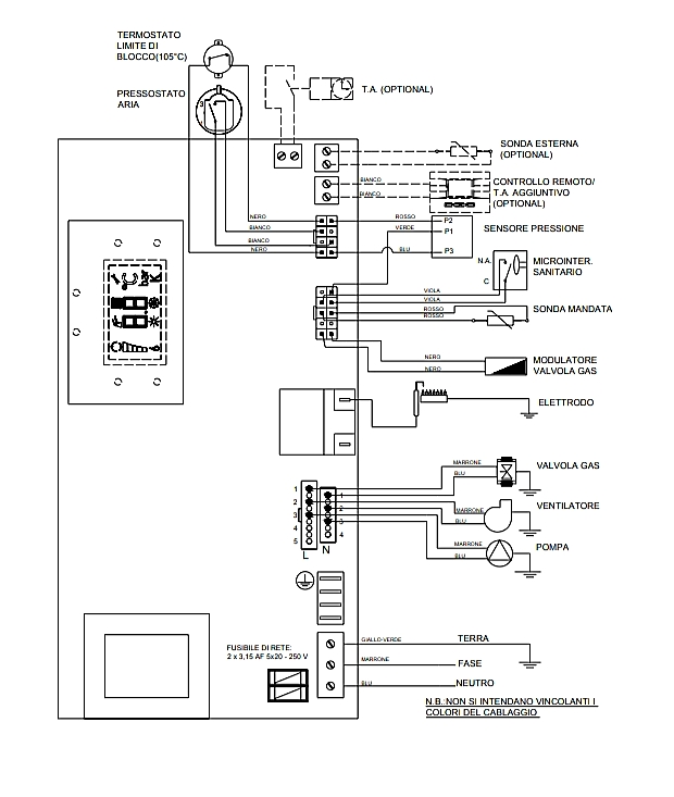
تعمیر پکیج و برد پکیج در اصفهان ۰۹۱۳۳۱۵۱۸۲۴ توسط هادی غیاث بیگی، تکنسین سریع دقیق و ماهر اصفهان تعمیر پکیج نقشه برد پکیج step مدل eaterna 22/08/202014/08/2024 تعمیر پکیج نقشه برد پکیج step مدل eaterna برنامه آموزشی تعمیر برد پکیج را از کافه بازار دانلود کنید. Tags تعمیر پکیج اصفهانتعمیرات پکیج اصفهانخدمات پکیج ماهر اصفهاننقشه برد پکیج step مدل eaternaنمایندگی پکیج وستن اصفهان هادی غیاث بیگی تعمیر پکیج اصفهان Website http://hadighias.ir Read more articles Previous Postنقشه برد پکیج فوندیتالNext Postنقشه برد پکیج گروه باکسی دیدگاهتان را بنویسید لغو پاسخنشانی ایمیل شما منتشر نخواهد شد. بخشهای موردنیاز علامتگذاری شدهاند *دیدگاه * نام * ایمیل * وب سایت You May Like آموزش ارور F.27 وایلانت و تعمیر برد پکیج نقشه برد پکیج آریستون نقشه برد پکیج بوش