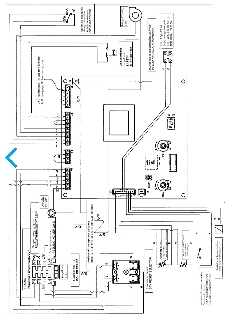
تعمیر پکیج و برد پکیج در اصفهان ۰۹۱۳۳۱۵۱۸۲۴ توسط هادی غیاث بیگی، تکنسین سریع دقیق و ماهر اصفهان تعمیر پکیج شاپه مدل سوپر 01/09/202014/08/2024 برنامه آموزشی تعمیر برد پکیج Tags تعمیر پکیج پکیج شاپه اصفهانتعمیر کار ماهر پکیج در اصفهانروش تعمیر برد پکیج شاپه اصفهان هادی غیاث بیگی تعمیر پکیج اصفهان Website http://hadighias.ir Read more articles Previous Postوستن و باکسی آنالوگNext PostHadi ghias beigi One thought on “شاپه مدل سوپر” Just because they call it advanced doesn at mean it is. Katlin Alfredo Carrie پاسخ دیدگاهتان را بنویسید لغو پاسخنشانی ایمیل شما منتشر نخواهد شد. بخشهای موردنیاز علامتگذاری شدهاند *دیدگاه * نام * ایمیل * وب سایت You May Like نقشه برد پکیج step مدل eaterna نقشه برد پکیج گروه باکسی وستن و باکسی آنالوگ
Just because they call it advanced doesn at mean it is. Katlin Alfredo Carrie