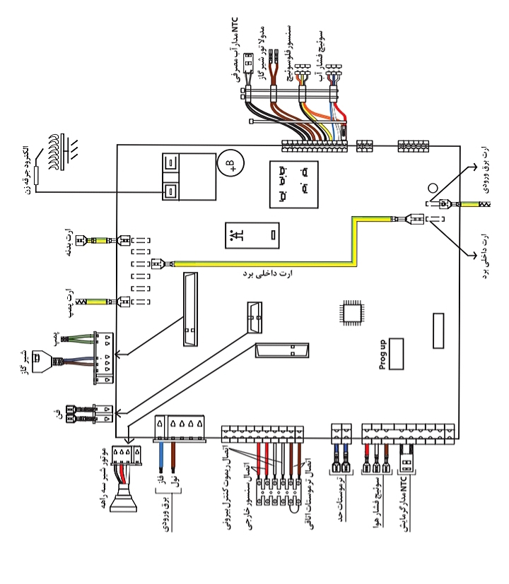
تعمیر پکیج نقشه برد پکیج آماتیس 23/06/202014/08/2024 آموزش تعمیر برد پکیج Tags تعمیر برد پکیج آماتیستعمیر پکیج اصفهانهادی غیاث بیگی هادی غیاث بیگی تعمیر پکیج اصفهان Website http://hadighias.ir Read more articles Previous Postنقشه برد پکیج گلدیرانNext Postنقشه برد پکیج تاچی دیدگاهتان را بنویسید لغو پاسخنشانی ایمیل شما منتشر نخواهد شد. بخشهای موردنیاز علامتگذاری شدهاند *دیدگاه * نام * ایمیل * وب سایت You May Like مالکیت برند خدمات تخصصی اصفهان پکیج هادی غیاث بیگی آموزش تعمیر برد الکترونیک پکیج نقشه برد وستن و بایماک